产品订购热线:021-56051151 15821524164
设为首页收藏站点
 
网站首页 公司简介 新闻中心 产品中心 技术支持 企业荣誉 人才招聘 联系我们  
 
 
产品中心
不锈钢截止阀
波纹管截止阀
气动截止阀
螺纹截止阀
法兰截止阀
焊接截止阀
铸铁截止阀
铸铜截止阀
铸钢截止阀
角式截止阀
平衡截止阀
针形截止阀
氧气专用阀
真空截止阀/水封截止阀
耐磨耐腐蚀截止阀
高温高压截止阀
电动截止阀
节流阀
角座阀系列
其他阀门
过滤器
联系我们
 
联系地址:上海市奉贤区四团镇邵厂北区89号
邮寄地址:上海市普陀区真北路3199号星云经济区
电话:021-56051151
传真:021-66309799
手机号码:15821524164(汤小姐)
公司网址:http://www.gkfm.cn
E-mail:1542202575@qq.com
QQ:1542202575
阀门产品
手动扇形盲板阀

质量稳定:实行全过程质量监控,细致入微,全方位检测!

价格合理:高效内部成本控制,减少了开支,让利于客户!

交货快捷:先进生产流水线,充足的备货,缩短了交货期!

销售:021-56051151
传真:021-66309799
QQ : 1542202575
邮箱:1542202575@qq.com
手动扇形盲板阀

型号:F43BX-0.5/1.5/2.5
口径:DN200~1400mm
公称压力:0.05Mpa/0.15Mpa/0.25Mpa

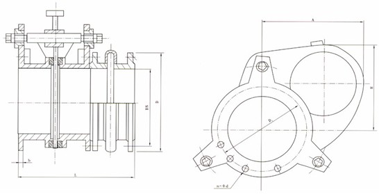
手动扇形盲板阀的结构特点及用途

F43BX型手动扇形盲板阀为长结构系列,阀体上设有伸缩器,可以补偿阀门启闭过程中产生的阀体轴向位移。该系列盲板阀橡胶密封圈分别安装在左、右阀体上。
DN900~1400盲板阀阀体采用三角形结构,有较强的整体刚性。

手动扇形盲板阀的主要外形及连接尺寸表

DN

L

D

D1

H

A

b

n-φd

质量(kg)

0.05Mpa

0.15 Mpa

0.25Mpa

200

500

320

280

310

350

18

8-φ18

72

80

90

250

500

375

335

330

400

18

12-φ18

90

96

105

300

500

440

395

350

450

18

12-φ22

150

165

180

350

500

490

445

380

500

18

12-φ22

180

196

215

400

600

540

495

405

550

24

16-φ22

210

230

250

450

600

595

550

430

600

26

16-φ22

280

305

335

500

600

645

600

750

680

26

20-φ22

320

350

385

600

600

755

705

830

840

28

20-φ26

420

460

500

700

630

860

810

880

1050

28

24-φ26

510

560

610

800

630

975

920

900

1150

28

24-φ30

610

670

730

900

630

1075

1020

1100

1300

26

24-φ30

750

820

900

1000

630

1175

1120

1300

1450

26

28-φ30

920

1010

1110

1200

630

1375

1320

1400

1550

26

32-φ30

1130

1250

1400

1300

630

1475

1420

1480

1650

30

32-φ30

1300

1400

1500

1400

750

1575

1520

1550

1700

30

36-φ30

1550

1700

1850

尺寸图:

订货须知:
产品使用的场合非常重要或环境比较复杂时, 本文中所有文字、数据、图片均只适用于参考,请您尽量提供设计图纸和详细参数,由我们的上海工开阀门公司的专业工程师为您审核选型。有任何疑问,您可以致电给我们,我们将为您提供最优质的售前咨询服务。请联系电话:021-56051151 www.gkfm.cn